D153

D153ミニカラーディスプレイ

強い日差しの下でも見やすい、優れた明るさと反射防止に優れたTFT液晶画面が特徴のカラーディスプレイが特徴です。 ステアリングホイール取付に最適なサイズで、各種MoTeCディスプレイロガーによって制御・構成されるように設計されています。 本体から伸びる配線は、各種ステアリングスイッチを接続するのに最適です。

  • 測定範囲0V~4V
  • 最大動作電圧= 17.0 V (これ以上の電圧で、他の入力が影響を受ける可能性があります)
  • 最大保護電圧= 32 V
  • 入力相当:10kΩ 4.0 V
  • スイッチ入力

    • 6個のスイッチインプット
    • 最大動作電圧= 32 V
    • 入力相当:4.0 V 10kΩ

    パワーサプライ

    • 動作電圧= 6.5 V~32 V
    • 動作電流= 380mA 14Vで完全な明るさの表示になります
    • 逆電流防止

    コミュニケーション

    • CAN=1メガビット/秒

    ディスプレイ

    • 反射防止カラーTFT液晶
    • 画面サイズ:3.54インチ
    • 解像度:320×240、アンチエイリアス処理グラフィック
    • レイアウト:選択可能な固定レイアウト

    使用温度

    • 内部温度:-20℃~70℃
    • 外気温度:50℃

    エキスパンダー(入出力数拡張機器)

    • MoTeC E888&E816エキスパンダーと接続可能です。

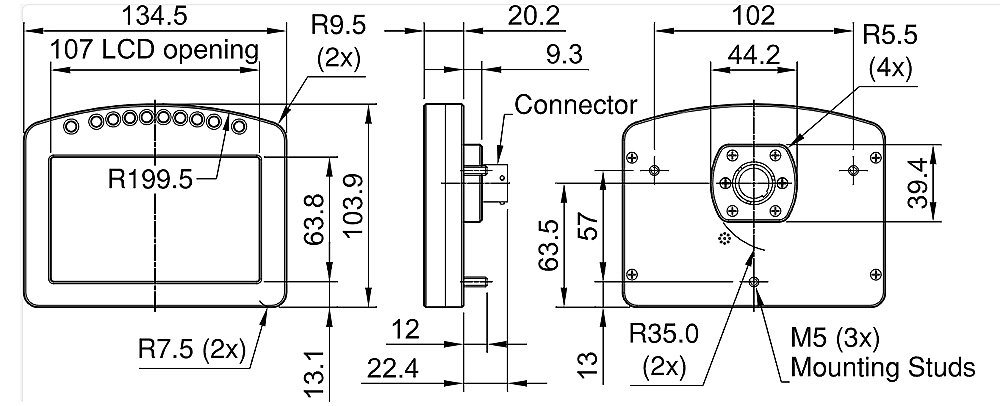
    寸法

    D175

    D175カラーディスプレイ

    各種MoTeCディスプレイロガーと接続して使用するサブディスプレイです。強い日差しの下でも見やすい、優れた明るさと反射防止に優れたTFT液晶画面が特徴のカラーディスプレイが特徴です。ディスプレイクリエーターを標準搭載しているので、画面デザインを自由にコンフィグ可能です。

    • 測定範囲0V~4V
    • 最大動作電圧= 17.0 V (これ以上の電圧で、他の入力が影響を受ける可能性があります)
    • 最大保護電圧= 32 V
    • 入力相当:10kΩ 4.0 V

    パワーサプライ

    • 動作電圧= 6.5 V~32 V
    • 動作電流= 380mA 14Vで完全な明るさの表示になります
    • 逆電流防止

    コミュニケーション

    • CAN =1メガビット/秒

    ディスプレイ

    • 反射防止カラーTFT液晶
    • 画面サイズ:5インチ
    • 解像度:480×800アンチエイリアス処理グラフィック

    LEDライト

    • 10個のRGB LED
    • カラー、機能や輝度は完全にプログラム設定可能
    • 複数のデザインから選択できる画面レイアウト

    使用温度

    • 内部温度:-20℃~70℃
    • 外気温度:55℃

    寸法